Zhejiang Sehnaider Electric Co., Ltd.
Zhejiang Sehnaider Electric Co., Ltd.
Productos
BH-0.66-60 Transformadores de corriente
  • BH-0.66-60 Transformadores de corrienteBH-0.66-60 Transformadores de corriente

BH-0.66-60 Transformadores de corriente

Los transformadores de corriente BH -0.66-60 adopta material de retardante de PC, y el material de conducción magnética es un núcleo toroidal recocido para garantizar la precisión del producto en los niveles 0.2 y 0.5. Para niveles de precisión ultra, como 0.2s y 0.5s, solo los imanes superconductores pueden cumplir con tales requisitos de precisión.

Los transformadores de corriente BH-0.66-60 son aplicables a sistemas de energía con una frecuencia nominal de 50Hz y un voltaje nominal de 0.66kV, 0.69kV, 0.5kV y menos para la medición de energía eléctrica, la medición de corriente y la protección de retransmisión.


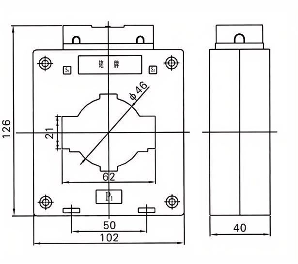
Este transformador actual de Dahu es para uso en interiores, instalado dentro de gabinetes y cajas de distribución. Cuenta con un nuevo diseño de circuito magnético, métodos de compensación avanzados, técnicas de procesamiento exquisito, rendimiento seguro y confiable, y una apariencia pequeña y hermosa.


La carcasa externa está hecha de PC de retardante de alta resistencia con una estructura completamente cerrada y una calificación de retardante de llama de V1. El núcleo interno está hecho de láminas de acero de silicio orientadas al grano de alta calidad. El diámetro del cable se selecciona estrictamente de acuerdo con la densidad de corriente económica para garantizar un menor aumento de la temperatura. Con equipos de prueba avanzados y confiables, garantiza el cumplimiento de los estándares de calidad.


Tiene tipos de orificios cuadrados y redondos, adecuado para una sola - raíz o múltiples - penetración de cable de raíz o penetración de la barra colectiva de raíz única. Tiene una serie completa de productos, una amplia variedad de especificaciones y una amplia gama de aplicaciones.


Aplicaciones

Monitoreo de energía y medición

Protección del circuito y coordinación de relevos

Automatización industrial y sistemas de cuadrícula inteligente

Especificaciones técnicas

Voltaje nominal: 0,66 kV

Frecuencia: 50/60Hz

Clase de precisión: 0.5, 1.0 (personalizable)

Nivel de aislamiento: 3kV/min


Parámetros técnicos principales

Clasificado primario
actual (a)
Exactitud
clases
combinación
Salida secundaria nominal (VA) Corriente térmica 1S (KA) Corriente dinámica con calificación (KA)
0.2 (s) 0.2 0.5 10p10
5-40 0.2/10p10
0.5/10p10
/ 10 10 15 90lin 220lin
5-40 100lin 250lin
5-40 20 50
5-40
5-40 36 90
10
5-40 45 100
5-40 56 100
5-40
5-40 80 110
5-40 100 110


Etiquetas calientes: BH-0.66-60 Transformadores de corriente
Enviar Consulta
Datos de contacto
Si tiene alguna consulta sobre cotización o cooperación, no dude en enviarnos un correo electrónico a river@dahuelec.com o utilizar el siguiente formulario de consulta. Nuestro representante de ventas se comunicará con usted dentro de las 24 horas. Gracias por su interés en nuestros productos.
X
We use cookies to offer you a better browsing experience, analyze site traffic and personalize content. By using this site, you agree to our use of cookies. Privacy Policy
Reject Accept