Zhejiang Sehnaider Electric Co., Ltd.
Zhejiang Sehnaider Electric Co., Ltd.
Productos
BH-0.66-50 Transformadores de corriente
  • BH-0.66-50 Transformadores de corrienteBH-0.66-50 Transformadores de corriente

BH-0.66-50 Transformadores de corriente

Los transformadores de corriente BH-0.66-50 son instrumentos de precisión diseñados para una medición precisa y monitoreo de corrientes eléctricas en diversas aplicaciones industriales. Con una corriente nominal de 50A y una relación de transformación de 0.66, estos transformadores proporcionan capacidades de medición de corriente confiables y precisas.

Transformador de corriente de resina epoxi interior o transformador de corriente de plástico interior

• Fase única, dos fases o trifas.

• Voltaje nominal: 0.66kv

• Clase de medición para CT: 0.2s, 0.2,0.5, 0.5s

• Estándar: IEC61869-2

• Nombre de tipo: BH-0.66-50

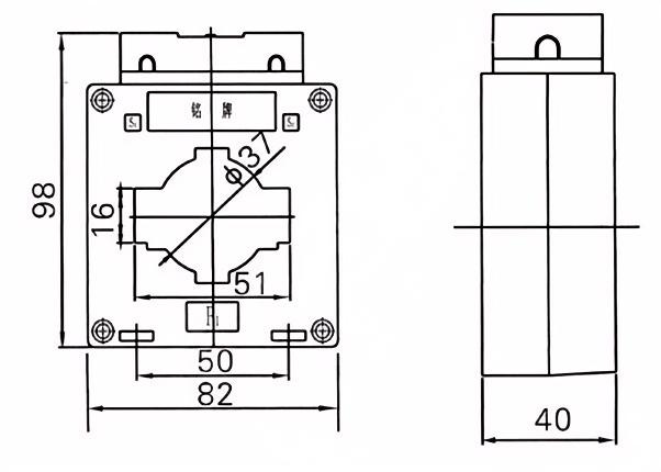
Este transformador de corriente de tipo seco interior se usa en 0.66kV, 0.75kV. Sistema de energía, para medir y protección.

Se ha utilizado en la tabla de interruptores de cubículos o en las estaciones de conmutación de la bahía.

Los transformadores de corriente BH-0.66-50 están hechos de resina epoxi interior de alta temperatura, núcleo de aleación amorfa para medición y núcleo interno de alta calidad para protección, uso primario y secundario de cobre electrolítico puro.


Aplicaciones:

Sistemas de distribución de energía

Sistemas de gestión de energía

Monitoreo de equipos industriales

Sistemas de energía renovable


1. Materiales premium

Núcleo de alto grado: acero de silicio y nanocristalinos de precisión con precisión para pérdidas mínimas y alta linealidad.  

Aislamiento robusto: los diseños de resina epoxi aseguran la estabilidad a largo plazo en entornos hostiles.  


2. Rendimiento superior

Precisión: Clase 0.2/0.5 para medición, 5p/10p para protección, cumpliendo con los estándares IEC 61869, 60044, IEEE y ANSI.  

Rango amplio: admite sistemas de 0.6kV-36kV, con relaciones/frecuencia personalizadas (50/60Hz).  

Bajo aumento térmico: el diseño optimizado reduce el sobrecalentamiento y la vida útil.  

Inmunidad de EMC: escudos contra la interferencia electromagnética para señales confiables.  


3. Servicio y soporte

Soluciones personalizadas: relaciones a medida, tamaños o conectores (por ejemplo, Rail DIN, terminales IEC).  

Certificaciones globales: IEC, CE, ISO y aprobaciones de redes locales.  

Ayuda técnica de toda la vida: soporte 24/7, orientación de instalación y suministro de repuestos.  

Entrega rápida: productos estándar en 2-4 semanas; Opciones aceleradas para necesidades urgentes.  


Parámetros técnicos principales

Clasificado primario
actual (a)
Exactitud
clases
combinación
Salida secundaria nominal (VA) Corriente térmica 1S (KA) Corriente dinámica con calificación (KA)
0.2 (s) 0.2 0.5 10p10
5-40 0.2/10p10
0.5/10p10
/ 10 10 15 90lin 220lin
5-40 100lin 250lin
5-40 20 50
5-40
5-40 36 90
10
5-40 45 100
5-40 56 100
5-40
5-40 80 110
5-40 100 110




Etiquetas calientes: BH-0.66-50 Transformadores de corriente
Enviar Consulta
Datos de contacto
Si tiene alguna consulta sobre cotización o cooperación, no dude en enviarnos un correo electrónico a river@dahuelec.com o utilizar el siguiente formulario de consulta. Nuestro representante de ventas se comunicará con usted dentro de las 24 horas. Gracias por su interés en nuestros productos.
X
We use cookies to offer you a better browsing experience, analyze site traffic and personalize content. By using this site, you agree to our use of cookies. Privacy Policy
Reject Accept