Zhejiang Sehnaider Electric Co., Ltd.
Zhejiang Sehnaider Electric Co., Ltd.
Productos
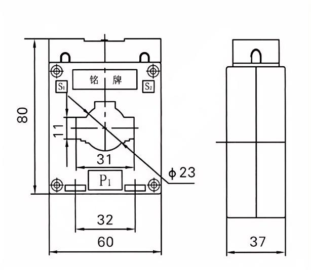
BH-0.66-30 Transformadores de corriente
  • BH-0.66-30 Transformadores de corrienteBH-0.66-30 Transformadores de corriente

BH-0.66-30 Transformadores de corriente

Los transformadores de corriente BH-0.66-30 (CTS) son instrumentos de ingeniería de precisión diseñados para una medición y monitoreo de corriente precisos en sistemas eléctricos de bajo voltaje. Con un voltaje de aislamiento nominal de 0.66 kV, estos transformadores son ideales para la gestión de la energía, la transmisión de protección y las aplicaciones de medición.

Características:

Alta precisión: cumple con los estándares IEC 61869, asegurando un rendimiento confiable para fines de facturación y monitoreo.

Diseño compacto: construcción de ahorro de espacio para una fácil instalación en espacios ajustados.

Rango de corriente amplia: corriente primaria de hasta 30a, adecuada para diversas cargas industriales y comerciales.

Materiales duraderos: la vivienda robusta proporciona resistencia a los factores ambientales y al estrés mecánico.

Cumplimiento de seguridad: BH-0.66-30 Transformadores actuales que cumplen con las certificaciones internacionales de seguridad y rendimiento.


Aplicaciones:

Medición de energía en sistemas de distribución de energía.

Protección contra sobrecorriente en interruptores de circuitos y relés.

Integración con redes inteligentes y soluciones de monitoreo basadas en IoT.

Especificaciones técnicas:

Voltaje nominal: 0,66 kV

Frecuencia: 50/60Hz

Clase de precisión: 0.5, 1.0 (personalizable)

Carga: según los requisitos del cliente


Parámetros técnicos principales

Clasificado primario
actual (a)
Exactitud
clases
combinación
Salida secundaria nominal (VA) Es corriente térmica (ka) Corriente dinámica con calificación (KA)
0.2 (s) 0.2 0.5 10p10
5-40 0.2/10p10
0.5/10p10
/ 10 10 15 90lin 220lin
5-40 100lin 250lin
5-40 20 50
5-40
5-40 36 90
10
5-40 45 100
5-40 56 100
5-40
5-40 80 110
5-40 100 110


Etiquetas calientes: BH-0.66-30 Transformadores de corriente
Enviar Consulta
Datos de contacto
Si tiene alguna consulta sobre cotización o cooperación, no dude en enviarnos un correo electrónico a river@dahuelec.com o utilizar el siguiente formulario de consulta. Nuestro representante de ventas se comunicará con usted dentro de las 24 horas. Gracias por su interés en nuestros productos.
X
We use cookies to offer you a better browsing experience, analyze site traffic and personalize content. By using this site, you agree to our use of cookies. Privacy Policy
Reject Accept