Zhejiang Sehnaider Electric Co., Ltd.
Zhejiang Sehnaider Electric Co., Ltd.
Productos
BH-0.66-20 Transformadores de corriente
  • BH-0.66-20 Transformadores de corrienteBH-0.66-20 Transformadores de corriente

BH-0.66-20 Transformadores de corriente

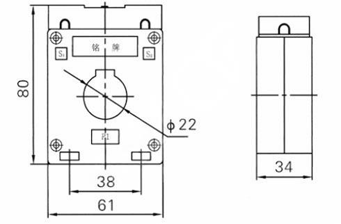
Los transformadores de corriente BH-0.66-20 son transformadores de corriente de alta calidad diseñados para una medición precisa y monitoreo de corrientes eléctricas en diversas aplicaciones industriales. Con una corriente nominal de 0.66a y una frecuencia de 50/60Hz, estos transformadores proporcionan un rendimiento confiable y lecturas precisas.

Los transformadores de corriente BH-0.66-20 cuentan con un diseño compacto y robusto, haciéndolos adecuados para la instalación en espacios ajustados y entornos duros. Están equipados con materiales y componentes de alta calidad para garantizar la estabilidad y durabilidad a largo plazo.


Estos transformadores actuales son fáciles de instalar y mantener, lo que los hace ideales para una amplia gama de aplicaciones, incluida la distribución de energía, la gestión de energía y la automatización industrial. Cumplen con los estándares internacionales para la seguridad y el rendimiento, brindando a los usuarios tranquilidad y confianza en sus operaciones.


En general, los transformadores de corriente BH-0.66-20 son la opción perfecta para una medición y monitoreo de corriente precisos en entornos industriales, ofreciendo confiabilidad, precisión y durabilidad para varios sistemas eléctricos.


Parámetros técnicos principales

Clasificado primario
actual (a)
Exactitud
clases
combinación
Salida secundaria nominal (VA) Es corriente térmica (ka) Corriente dinámica con calificación (KA)
0.2 (s) 0.2 0.5 10p10
5-40 0.2/10p10
0.5/10p10
/ 10 10 15 90lin 220lin
5-40 100lin 250lin
5-40 20 50
5-40
5-40 36 90
10
5-40 45 100
5-40 56 100
5-40
5-40 80 110
5-40 100 110



Etiquetas calientes: BH-0.66-20 Transformadores de corriente
Enviar Consulta
Datos de contacto
Si tiene alguna consulta sobre cotización o cooperación, no dude en enviarnos un correo electrónico a river@dahuelec.com o utilizar el siguiente formulario de consulta. Nuestro representante de ventas se comunicará con usted dentro de las 24 horas. Gracias por su interés en nuestros productos.
X
We use cookies to offer you a better browsing experience, analyze site traffic and personalize content. By using this site, you agree to our use of cookies. Privacy Policy
Reject Accept